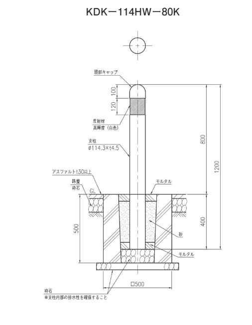
積水樹脂 車止め  カタログ&価格  KDK−114

ka-mark

kn-mark

oka-mark

nm-mark

chu-mark

teikmark

am-mark

is-mark

oo-mark

dkc-mark

sp-mark

di-mark

hs-mark

kw-mark

yo-mark

sk-mark

ta-mark

np-mark

UNION

fn-mark

igs-mark

LIXIL TOEX

jim20171 

  小田原鋼材 

TEL 0465−83−5041

FAX 0465−83−5619 ←クリックすると見積依頼用のシートがあります(ご利用下さい。)

見積依頼・注文はこちらから↑→ e−mall k.odakou@future.ocn.ne.jp